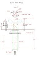
Az TMF típusú szűrőt a vízhálózathoz karimás csatlakozással (lásd. Műszaki adatok) lehet csatlakoztatni. A robosztus festett szénacél ház kellő biztonságot ad akár ipari körülmények esetén is. A készülék nagy felületű nemesacél szűrőbetéttel rendelkezik, mely garantálja az Ön számára a hosszú élettartamot alatt a megbízható működést. A berendezés nyers és szűrt víz oldalán egy-egy nyomásmérő található. A nyomásmérő segítségével közvetlen visszajelzésünk van a szűrőbetét eltömődéséről. A szűrő berendezést a nyersvíz minőségétől függően rendszeresen mossuk vissza. A visszamosatást mindenképpen végezzük el, ha a nyomásmérőn 0,5bar-os nyomásesés tapasztalunk. Az TMF család tisztítását a berendezés alján lévő 3/4” golyósszelep elfordításával egyszerűen elvégezhetjük. Az TMF-A család esetében a golyósszelep helyett egy idővezérléssel ellátott elektromos szelepet található. Fontos, hogy a visszamosatást úgy állítsuk be, hogy a berendezésen 0,5bar-nál nagyobb nyomásesés ne alakulhasson ki. Javasoljuk, hogy a szűrőt havonta öblítse vissza.
Műszaki adatok
| Cikkszám |
Megnevezés |
Cs. |
Telj. m³/h |
Nyom. |
|
TMF-65
|
Ipari PN 16 karimás 100µm szűrőbetéttel, 3/4" leürítőcsappal, és 2db manométerrel |
DN65
|
30 |
10 bar |
| TMF-80 |
Ipari PN 16 karimás 100µm szűrőbetéttel, 3/4" leürítőcsappal, és 2db manométerrel |
DN80 |
36 |
10 bar |
| TMF-100 |
Ipari PN 16 karimás 100µm szűrőbetéttel, 3/4" leürítőcsappal, és 2db manométerrel |
DN100 |
85 |
10 bar |
| TMF-125 |
Ipari PN 16 karimás 100µm szűrőbetéttel, 3/4" leürítőcsappal, és 2db manométerrel |
DN125 |
100 |
10 bar |
| TMF-150 |
Ipari PN 16 karimás 100µm szűrőbetéttel, 3/4" leürítőcsappal, és 2db manométerrel |
DN150 |
130 |
10 bar |
| TMF-200 |
Ipari PN 16 karimás 100µm szűrőbetéttel, 3/4" leürítőcsappal, és 2db manométerrel |
DN200 |
170 |
10 bar
|
A karimás szűrők 2-4 hetes gyártasi idővel szállíthatók. A szűrőket saválló kivitelben is gyártjuk, ennek gyártási ideje 3-5 hét, +40% felár! Egyéb más finomságú szűrőbetét gyártása is megoldható! +10% felár és 3-5 hét gyártási idő esetén.
A szűrőberendezéseket igény esetén lehet párhuzamosítani, illetve automata idővezérelt leürítőcsappal rendelni.